Standard Extruded Products
Bonnell Aluminum carries a large inventory of extrusion tooling used in the production of standard aluminum profiles designed to Aluminum Association and American Standard specifications. Standard aluminum extrusions are available in mill order quantity only. All requests for standard aluminum extrusions are made to order; when ordering, please specify alloy, temper, length, quantity, surface finish, end use and any special instructions regarding dimensional, length, or shipping tolerances, custom packaging, identification or certification. Please note - Standard shapes are usually sold unfinished.

EQUAL ANGLES

UNEQUAL ANGLES

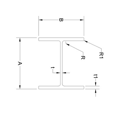
Beams

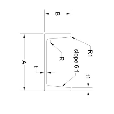
Channels

Bars & Rods

Pipe & Tubing

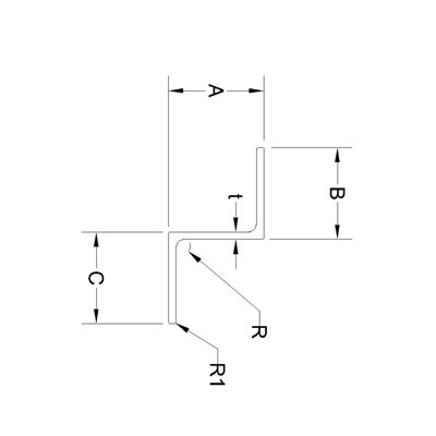
Tees & Zees